
-
黎先生
男|28岁|未婚|175cm|大专|1年以上
现居高明区荷城|更新于2020-04-23
求职意向
- 期望性质
- 全职
- 期望行业
- 家具/家电/工艺品/玩具/礼品
- 期望职业
- 工业产品设计,工艺工程师
- 期望地区
- 佛山市
- 期望薪水
- 月薪5500或以上
- 求职状态
- 在职,打算近期换工作
- 到岗时间
- 面谈
- 自我评价
- 会Solidwks3D画图,CAD绘图,懂家具五金,木工结构工艺,熟练办公软件。
教育经历
- 广东职业技术学院
- 2016年9月-至今 大专
- 高明区高级技工学校
- 2013年9月-2016年9月 大专
工作经历
- 设计师
- 2019年3月-至今 崇雅家具有限公司
- 开发新产品,打样效果图与跟踪打样进度,新材料订购图纸与新材料进度,了解家具工艺与打样师傅和业务沟通对接,会用ERP系统。
- 工程师助理
- 2017年6月-2018年12月 广东华德涞机器人智能科技有限公司
- 现场布局图SolidWorks3D图与三维图,夹具设计,线体设计,工业机器人前期安装调试
技能专长
- Photoshop 一般
- Excel 良好
- Word 良好
- AutoCAD 良好
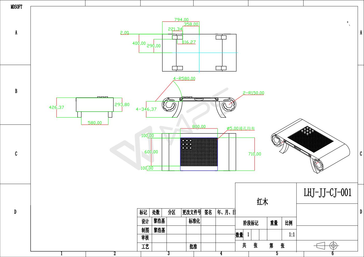
我的作品

自作家具3D图

自作家具3D图

茶几尺寸图

自作家具3D图

自作家具3D图

自作家具3D图

自作家具3D图

茶几尺寸图

自作家具3D图
附加信息
- 其他
- 熟练应用SolidWorks3D画图软件,拥有电工上岗证,焊工上岗证,钳工中级证,钳工高级证,C1驾驶证(一年以上驾驶经验),计算机中级证